Originality comes in all
shapes and sizes
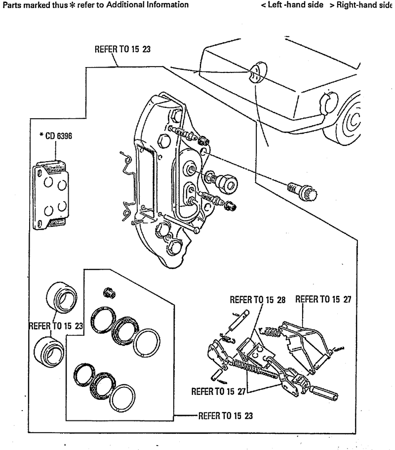
Identify your part from either the component diagram or parts list below, select the quantity you require and click to add to your quotation request. Repeat this process for all the components you need.
Once you have completed your selection, go to the quotations link at the top of the page to view your basket.
| Part number | Part name | Notes | |
|---|---|---|---|
| 2 | CD6396 | PAD KIT REAR | |
